| SW7 | SW6 | パリティ |
| on | on | なし |
| on | off | なし |
| off | on | 偶数 |
| off | off | 奇数 |
| SW5 | データ長 |
| on | 7 bit |
| off | 8 bit |
| SW4 | ストップビット |
| on | 1 bit |
| off | 2 bit |
|
| SW2 | SW1 | SW0 | ボーレート |
| on | on | on | 300 bps |
| on | on | off | 600 bps |
| on | off | on | 1200 bps |
| on | off | off | 2400 bps |
| off | on | on | 4800 bps |
| off | on | off | 9600 bps |
| off | off | on | 14400 bps(*1) |
| off | off | off | 19200 bps(*1) |
SW3 は常に on。
但し、SW3 〜 SW0 をすべて
off とした場合は 2400 bps
(*1)クロックアップ版のみ
|
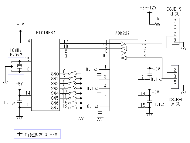
 回路図
(キットを使わない場合はこちら)
DSUB-9メス側(9600bps固定):スワンケーブル(+ストレートケーブル)を接続
DSUB-9オス側(300bps〜):他の機器を接続(PCと通信する場合には要クロスケーブル)
|